Product Summary
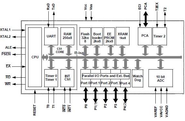
The AT89C51AC2-UM is a high performance Flash version of the 80C51 single chip 8-bit microcontroller. It contains a 32 KB Flash memory block for program and data. The 32 KB Flash memory can be programmed either in parallel mode or in serial mode with the ISP capability or with software. The programming voltage is internally generated from the standard VCC pin. The AT89C51AC2-UM retains all features of the 80C51 with 256 bytes of internal RAM, a 7-source 4-level interrupt controller and three timer/counters. In addition, the AT89C51AC2-UM has a 10-bit A/D converter, a 2 KB Boot Flash memory, 2 KB EEPROM for data, a Programmable Counter Array, an XRAM of 1024 bytes, a Hardware Watch-Dog Timer, and a more versatile serial channel that facilitates multiprocessor communication (EUART).
Parametrics
AT89C51AC2-UM absolute maximum ratings: (1)Ambiant Temperature Under Bias: I = industrial: -40℃ to 85℃; (2)Storage Temperature: -65℃ to + 150℃; (3)Voltage on VCC from VSS: -0.5V to + 6V; (4)Voltage on Any Pin from VSS: -0.5V to VCC + 0.2V; (5)Power Dissipation: 1W.
Features
AT89C51AC2-UM features: (1)80C51 Core Architecture; (2)256 Bytes of On-chip RAM; (3)1 KB of On-chip XRAM; (4)32 KB of On-chip Flash Memory; (5)Data Retention: 10 Years at 85℃ Read/Write Cycle: 10K; (6)2 KB of On-chip Flash for Bootloader; (7)2 KB of On-chip EEPROM Read/Write Cycle: 100K; (8)14-sources 4-level Interrupts; (9)Three 16-bit Timers/Counters; (10)Full Duplex UART Compatible 80C51; (11)Maximum Crystal Frequency 40 MHz, in X2 Mode, 20 MHz (CPU Core, 20 MHz); (12)Five Ports: 32 + 2 Digital I/O Lines; (13)Five-channel 16-bit PCA with: PWM (8-bit); High-speed Output; Timer and Edge Capture; (14)Double Data Pointer; (15)21-bit Watchdog Timer (7 Programmable Bits); (16)10-bit Resolution Analog to Digital Converter (ADC) with 8 Multiplexed Inputs; (17)On-chip Emulation Logic (Enhanced Hook System); (18)Power Saving Modes: Idle Mode; Power-down Mode; (19)Power Supply: 3V to 5.5V; (20)Temperature Range: Industrial (-40℃ to +85℃); (21)Packages: VQFP44, PLCC44.
Diagrams

![]() |
![]() AT8934 |
![]() TE Connectivity |
![]() General Purpose / Industrial Relays SEALED R RELAY |
![]() Data Sheet |
![]()
|
|
||||||
![]() |
![]() AT8985P |
![]() Other |
![]() |
![]() Data Sheet |
![]() Negotiable |
|
||||||
![]() |
![]() AT8989UP |
![]() Other |
![]() |
![]() Data Sheet |
![]() Negotiable |
|
||||||
![]() |
![]() AT8992-A2-T-1 |
![]() |
![]() IC SWITCH PHY 64-TQFP |
![]() Data Sheet |
![]() Negotiable |
|
||||||
![]() |
![]() AT8992M-A2-T-1 |
![]() |
![]() IC SWITCH PHY 100-MQFP |
![]() Data Sheet |
![]() Negotiable |
|
||||||
![]() |
![]() AT8993-A2-T-1 |
![]() |
![]() IC SWITCH PHY 100-MQFP |
![]() Data Sheet |
![]() Negotiable |
|
||||||
(China (Mainland))








