Product Summary
The SPX1117M3L is a low power positive-voltage regulator designed to satisfy moderate power requirements with a cost effective, small footprint solution. This device is an excellent choice for use in battery-powered applications and portable computers. The SPX1117M3-L-3-3 features very low quiescent current and a low dropout voltage of 1.1V at a full load. The applications of the SPX1117M3-L-3-3 are Desktop PC’s Servers, SCSI-II Active Terminator, Portable/ Palm Top / Notebook, Computers, Cordless Phones, Battery Chargers, Disk Drives, Portable Consumer Equipment, Portable Instrumentation, SMPS Post-Regulator.
Parametrics
SPX1117M3L absolute maximum ratings: (1)Power Dissipation:Internally Limited; (2)Lead Temperature (soldering, 5 seconds):260℃; (3)Storage Temperature Range:-65℃ to +150℃; (4)Operating Junction Temperature Range:-40℃ to +125℃; (5)Input Supply Voltage: +20V; (6)Input to Output Voltage:18.8V; (7)ESD Rating:2kV min.
Features
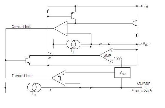
SPX1117M3L features: (1)Guaranteed 0.8A Output Current; (2)Guaranteed 1A Peak Current; (3)Three Terminal Adjustable or Fixed: 1.5V, 1.8V, 2.5V, 2.85V, 3.0V, 3.3V and 5V; (4)Low Quiescent Current; (5)Low Dropout Voltage of 1.1V at 0.8A; (6)0.1% Line and 0.2% Load Regulation; (7)Stable with 2.2uF Ceramic Capacitor; (8)Overcurrent and Thermal Protection; (9)Available Packages: SOT-223,TO-252,TO-220, and TO-263.
Diagrams

![]() |
![]() SPX1004 |
![]() Other |
![]() |
![]() Data Sheet |
![]() Negotiable |
|
||||
![]() |
![]() SPX1004AM1-L-1-2/TR |
![]() Exar |
![]() Voltage & Current References 1.2/2.5V MCRPW V REF 10uA TO 20mA |
![]() Data Sheet |
![]() Negotiable |
|
||||
![]() |
![]() SPX1083 |
![]() Other |
![]() |
![]() Data Sheet |
![]() Negotiable |
|
||||
![]() |
![]() SPX1084 |
![]() Other |
![]() |
![]() Data Sheet |
![]() Negotiable |
|
||||
![]() |
![]() SPX1084T |
![]() Other |
![]() |
![]() Data Sheet |
![]() Negotiable |
|
||||
![]() |
![]() SPX1085 |
![]() Other |
![]() |
![]() Data Sheet |
![]() Negotiable |
|
||||
(China (Mainland))








