Product Summary
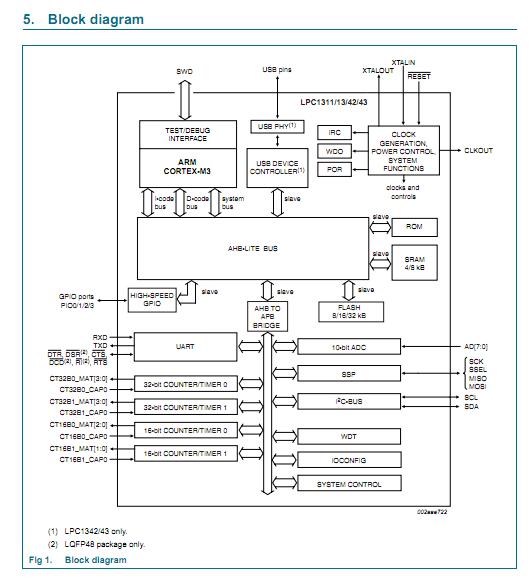
The LPC1343FBD48 is an ARM Cortex-M3 based microcontroller for embedded applications featuring a high level of integration and low power consumption. The ARM Cortex-M3 is a next generation core that offers system enhancements such as enhanced debug features and a higher level of support block integration.
Parametrics
LPC1343FBD48 absolute maximum ratings: (1)VDD supply voltage: 2.0 3.6 V; (2)VI input voltage: 0.5 +5.5 V; (3)IDD supply current per supply pin: -100mA; (4)ISS ground current per ground pin: -100mA; (5)Ilatch I/O latch-up current: -100mA; (6)Tstg storage temperature: 65 +150 °C; (7)Tj(max) maximum junction temperature: - 150 °C; (8)Ptot(pack) total power dissipation: -1.5W; (9)VESD electrostatic discharge voltage: 5000 +5000 V.
Features
LPC1343FBD48 features: (1)ARM Cortex-M3 processor, running at frequencies of up to 72 MHz; (2)ARM Cortex-M3 built-in Nested Vectored Interrupt Controller (NVIC); (3)32 kB (LPC1343/13)/16 kB (LPC1342)/8 kB (LPC1311) on-chip flash programming memory; (4)8 kB (LPC1343/13)/4 kB (LPC1342/11) SRAM; (5)In-System Programming (ISP) and In-Application Programming (IAP) via on-chip bootloader software; (6)Selectable boot-up: UART or USB (USB on LPC134x only); (7)On LPC134x: USB MSC and HID on-chip drivers.
Diagrams

| Image | Part No | Mfg | Description | ![]() |
Pricing (USD) |
Quantity | ||||||||||||
|---|---|---|---|---|---|---|---|---|---|---|---|---|---|---|---|---|---|---|
![]() |
![]() LPC1343FBD48,151 |
![]() NXP Semiconductors |
![]() ARM Microcontrollers (MCU) 32-bit ARM Cortex-M3 32kb Flash |
![]() Data Sheet |
![]()
|
|
||||||||||||
| Image | Part No | Mfg | Description | ![]() |
Pricing (USD) |
Quantity | ||||||||||||
![]() |
![]() LPC10065ATED100K |
![]() KOA Speer |
![]() Common Mode Inductors (Chokes) 10uH 10% |
![]() Data Sheet |
![]()
|
|
||||||||||||
![]() |
![]() LPC10065ATED101K |
![]() KOA Speer |
![]() Common Mode Inductors (Chokes) 100uH 10% |
![]() Data Sheet |
![]()
|
|
||||||||||||
![]() |
![]() LPC10065ATED102K |
![]() KOA Speer |
![]() Common Mode Inductors (Chokes) 1000uH 10% |
![]() Data Sheet |
![]()
|
|
||||||||||||
![]() |
![]() LPC10065ATED150K |
![]() KOA Speer |
![]() Common Mode Inductors (Chokes) 15uH 10% |
![]() Data Sheet |
![]()
|
|
||||||||||||
![]() |
![]() LPC10065ATED151K |
![]() KOA Speer |
![]() Common Mode Inductors (Chokes) 150uH 10% |
![]() Data Sheet |
![]()
|
|
||||||||||||
![]() |
![]() LPC10065ATED152K |
![]() KOA Speer |
![]() Common Mode Inductors (Chokes) 1500uH 10% |
![]() Data Sheet |
![]()
|
|
||||||||||||
(China (Mainland))










