Product Summary
The dsPIC30F6010A-30IPF is a High-Performance, 16-bit Digital Signal Controller.
Parametrics
dsPIC30F6010A-30IPFabsolute maximum ratings: (1)Ambient temperature under bias: -40℃ to +125℃; (2)Storage temperature: -65℃ to +150℃; (3)Voltage on any pin with respect to VSS (except VDD and MCLR): -0.3V to (VDD + 0.3V); (4)Voltage on VDD with respect to VSS: -0.3V to +5.5V; (5)Voltage on MCLR with respect to VSS: 0V to +13.25V; (6)Maximum current out of VSS pin: 300 mA; (7)Maximum current into VDD pin: 250 mA; (8)Input clamp current, IIK (VI < 0 or VI > VDD): ±20 mA; (9)Output clamp current, IOK (VO < 0 or VO > VDD): ±20 mA; (10)Maximum output current sunk by any I/O pin: 25 mA; (11)Maximum output current sourced by any I/O pin: 25 mA; (12)Maximum current sunk by all ports: 200 mA; (13)Maximum current sourced by all ports: 200 mA.
Features
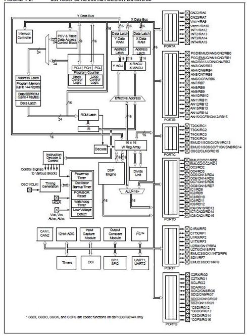
dsPIC30F6010A-30IPF features: (1)Modified Harvard architecture; (2)C compiler optimized instruction set architecture; (3)Flexible addressing modes; (4)83 base instructions; (5)24-bit wide instructions, 16-bit wide data path; (6)Up to 144 Kbytes on-chip Flash program space; (7)Up to 48K instruction words; (8)Up to 8 Kbytes of on-chip data RAM; (9)Up to 4 Kbytes of nonvolatile data EEPROM; (10)16 x 16-bit working register array; (11)Up to 30 MIPS operation: DC to 40 MHz external clock input, 4 MHz-10 MHz oscillator input with PLL active (4x, 8x, 16x).
Diagrams

![]() |
![]() dsPIC30F |
![]() Other |
![]() |
![]() Data Sheet |
![]() Negotiable |
|
||||||||||||
![]() |
![]() dsPIC30F1010 |
![]() Other |
![]() |
![]() Data Sheet |
![]() Negotiable |
|
||||||||||||
![]() |
![]() dsPIC30F1010-20E/MM |
![]() Microchip Technology |
![]() Digital Signal Processors & Controllers (DSP, DSC) 6KB 256bytes-RAM 30MIPS 21I/O |
![]() Data Sheet |
![]()
|
|
||||||||||||
![]() |
![]() dsPIC30F1010-20E/SO |
![]() Microchip Technology |
![]() Digital Signal Processors & Controllers (DSP, DSC) 6KB 256bytes-RAM 30MIPS 21I/O |
![]() Data Sheet |
![]()
|
|
||||||||||||
![]() |
![]() dsPIC30F1010-20E/SP |
![]() Microchip Technology |
![]() Digital Signal Processors & Controllers (DSP, DSC) 6KB 256bytes-RAM 30MIPS 21I/O |
![]() Data Sheet |
![]()
|
|
||||||||||||
![]() |
![]() dsPIC30F1010-30I/MM |
![]() Microchip Technology |
![]() Digital Signal Processors & Controllers (DSP, DSC) 6KB 256bytes-RAM 30MIPS 21I/O |
![]() Data Sheet |
![]()
|
|
||||||||||||
(China (Mainland))











