Product Summary
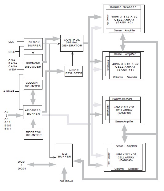
The IS42S32800B-7TL is a high-speed CMOS configured as a quad 2M × 32 DRAM with a synchronous interface (all signals are registered on the positive edge of the clock signal,CLK). The IS42S32800B-7TL provides for programmable Read or Write burst lengths of 1,2,4,8,or full page, with a burst termination operation. An auto precharge function may be enable to provide a self-timed row precharge that is initiated at the end of the burst sequence. The IS42S32800B-7TL is well suited for applications requiring high memory bandwidth.
Parametrics
IS42S32800B-7TL absolute maximum ratings: (1)VDD Supply Voltage (with respect to VSS): –0.5 to +4.6 V; (2)VDDQ Supply Voltage for Output (with respect to VSSQ): –0.5 to +4.6 V; (3)VI Input Voltage (with respect to VSS): –0.5 to VDD+0.5 V; (4)VO Output Voltage (with respect to VSSQ): –1.0 to VDDQ+0.5 V; (5)IO Short circuit output current: 50 mA; (6)PD Power Dissipation (TA = 25 ℃): 1 W; (7)TOPT Operating Temperature Com.: 0 to +70 ℃; Ind.: -40 to +85 ℃; (8)TSTG Storage Temperature: –65 to +150 ℃.
Features
IS42S32800B-7TL features: (1)Concurrent auto precharge; (2)Clock rate: 166/143 MHz; (3)Fully synchronous operation; (4)Internal pipelined architecture; (5)Four internal banks (2M × 32bit × 4bank); (6)Burst stop function; (7)Individual byte controlled by DQM0-3; (8)Auto Refresh and Self Refresh; (9)4096 refresh cycles/64ms (15.6μs/row); (10)Single +3.3V ±0.3V power supply; (11)Interface:LVTTL; (12)Package: 86 Pin TSOP-2,0.50mm Pin Pitch 8×13mm, 90 Ball BGA, Ball pitch 0.8mm; (13)Pb-free package is available.
Diagrams

| Image | Part No | Mfg | Description | ![]() |
Pricing (USD) |
Quantity | ||||
|---|---|---|---|---|---|---|---|---|---|---|
![]() |
![]() IS42S32800B-7TLI |
![]() ISSI |
![]() DRAM 256M 8Mx32 143Mhz |
![]() Data Sheet |
![]() Negotiable |
|
||||
![]() |
![]() IS42S32800B-7TLI-TR |
![]() ISSI |
![]() DRAM 256M 8Mx32 143Mhz |
![]() Data Sheet |
![]() Negotiable |
|
||||
![]() |
![]() IS42S32800B-7TL-TR |
![]() ISSI |
![]() DRAM 256M 8Mx32 143Mhz |
![]() Data Sheet |
![]() Negotiable |
|
||||
![]() |
![]() IS42S32800B-7TL |
![]() ISSI |
![]() DRAM 256M 8Mx32 143Mhz |
![]() Data Sheet |
![]() Negotiable |
|
||||
(China (Mainland))









